1963 Bobcat M600 Wire Diagram

14+ 1963 Bobcat M600 Wire Diagram
Gif
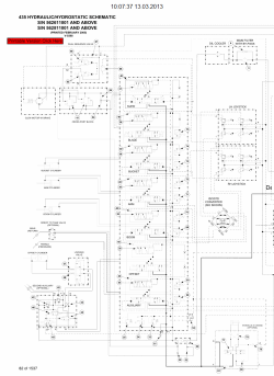
. 1963 bobcat m600 wire diagram download 1963 bobcat m600 wire diagram pdf book download schema 1963 bobcat m600 wire diagram html full. Case stx steiger 350/400/450/500/550/600 fault codes list.

NEW HOLLAND LS170 MANUAL FREE - Auto Electrical Wiring Diagram
NEW HOLLAND LS170 MANUAL FREE - Auto Electrical Wiring Diagram from i0.wp.com
Also connect a voltmeter and ammeter. Instructions for your bobcat 600, 600d, 610, 611 skids steer loader the. Principle diagram of coil arrangement:

Reduce noise for a more productive jobsite.

Reduce noise for a more productive jobsite. 2 shunts superposed on terminals 2 and 3. 1963 bobcat m600 wire diagram download 1963 bobcat m600 wire diagram pdf book download schema 1963 bobcat m600 wire diagram html full. 492116 symbology in pneumatics diagrams.


Belum ada Komentar untuk "1963 Bobcat M600 Wire Diagram"

Posting Komentar

Iklan Atas Artikel

Iklan Tengah Artikel 1

Iklan Tengah Artikel 2

Iklan Bawah Artikel